
Everfit Technology CO., LTD.(EFT) 36 বছরেরও বেশি অভিজ্ঞতার সাথে তাইওয়ানে অবস্থিত স্টেইনলেস স্টিল পাইপ ফিটিং প্রস্তুতকারকদের মধ্যে একটি।EFT316, 316Ti স্টেইনলেস স্টীল পাইপ ফিটিং, পাইপ রিডুসার, অভিনব পাইপ রিডুসার, ভ্যাকুয়াম পাম্প, ভালভ অ্যাকুয়েটর - ISO, EN11435, DNV, TSSA CRN, BPE, 3-A SSI প্রত্যয়িত প্রদান করে।

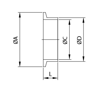
| Size | A | B | C | D | L | Parts No. |
|---|---|---|---|---|---|---|
| NW63 | 87 | - | 70.2 | 76.3 | 20 | SJS0-2400 |
ARTICLE SECTIONS
PRODUCT CATEGORY
SEND YOUR INQUIRY
Looking for more information? You can fill out the Inquiry Form to tell us your needs or questions, we will respond soon!

Search related products