
Everfit Technology CO., LTD.(EFT) هي واحدة من الشركات المصنعة لتجهيزات الأنابيب المصنوعة من الفولاذ المقاوم للصدأ ومقرها تايوان مع أكثر من 36 عامًا من الخبرة.EFTتوفر تجهيزات الأنابيب المصنوعة من الفولاذ المقاوم للصدأ 316 و316Ti، ومخفض الأنابيب، ومخفض الأنابيب اللامركزي، ومضخة التفريغ، ومشغل الصمام - معتمدة من ISO، وEN11435، وDNV، وTSSA CRN، وBPE، و3-A SSI.

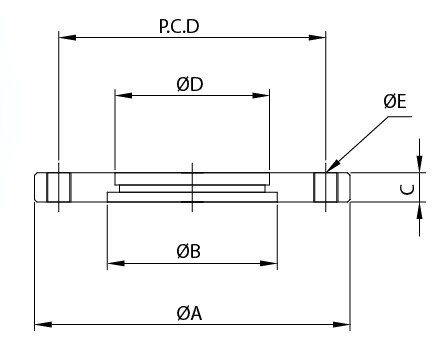
| Size | A | B | C | D | E | P.C.D | Parts No. |
|---|---|---|---|---|---|---|---|
| ISO63 | 130 | 70 | 12 | 63.7 | M8*4 | 110 | SOTF-2400 |
| ISO80 | 145 | 83 | 12 | 76.4 | M8*8 | 125 | SOTF-3000 |
| ISO100 | 165 | 102 | 12 | 101.8 | M8*8 | 145 | SOTF-4000 |
| ISO160 | 225 | 153 | 12 | 152.9 | M10*8 | 200 | SOTF-6000 |
مقالة - سلعة الأقسام
فئة المنتج
إرسال استفسارك
Looking for more information? You can fill out the Inquiry Form to tell us your needs or questions, we will respond soon!
بحث المنتجات ذات الصلة