
Everfit Technology CO., LTD.(EFT) adalah salah satu pengeluar kelengkapan paip keluli tahan karat yang berpangkalan di Taiwan dengan lebih 36 tahun pengalaman.EFTmenyediakan kelengkapan paip keluli tahan karat 316, 316Ti, pengurang paip, pengurang paip sipi, pam vakum, penggerak injap - diperakui ISO, EN11435, DNV, TSSA CRN, BPE, 3-A SSI.

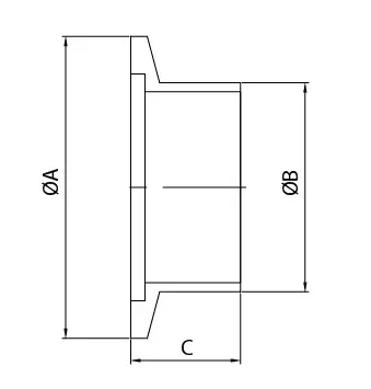
| Size | Standard | A | B | C | Parts No. |
|---|---|---|---|---|---|
| KF10 | Europe | 30 | 14 | 30 | SES0-0400 |
| KF16 | Europe | 30 | 20 | 30 | SES0-0600 |
| KF25 | Europe | 40 | 28 | 30 | SES0-1000 |
| KF40 | Europe | 55 | 45 | 30 | SES0-1400 |
| KF50 | Europe | 75 | 57 | 30 | SES0-2000 |
ARTICLE SECTIONS
PRODUCT CATEGORY
SEND YOUR INQUIRY
Looking for more information? You can fill out the Inquiry Form to tell us your needs or questions, we will respond soon!

Search related products