
Everfit Technology CO., LTD.(EFT) είναι ένας από τους κατασκευαστές εξαρτημάτων σωλήνων από ανοξείδωτο χάλυβα με έδρα την Ταϊβάν με πάνω από 36 χρόνια εμπειρίας.EFTπαρέχει εξαρτήματα σωλήνων από ανοξείδωτο χάλυβα 316, 316Ti, μειωτήρα σωλήνων, μειωτήρα εκκεντρικού σωλήνα, αντλία κενού, ενεργοποιητή βαλβίδων - ISO, EN11435, DNV, TSSA CRN, BPE, 3-A SSI πιστοποίηση.

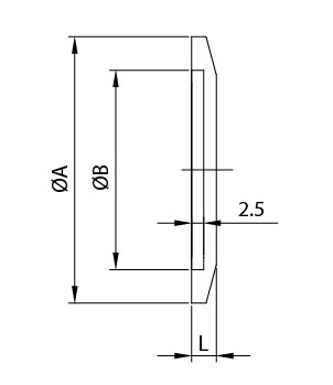
| Size | A | B | L | Parts No. |
|---|---|---|---|---|
| NW10 | 30 | 12.2 | 5 | SJBL-0400 |
| NW16 | 30 | 17.2 | 5 | SJBL-0600 |
| NW25 | 40 | 26.2 | 5 | SJBL-1000 |
| NW40 | 55 | 41.2 | 5 | SJBL-1400 |
| NW50 | 75 | 52.2 | 5 | SJBL-2000 |
| NW63 | 87 | 70.2 | 5 | SJBL-2400 |
ARTICLE SECTIONS
PRODUCT CATEGORY
SEND YOUR INQUIRY
Looking for more information? You can fill out the Inquiry Form to tell us your needs or questions, we will respond soon!

Search related products