
Everfit Technology CO., LTD.(EFT) adalah salah satu produsen alat kelengkapan pipa baja tahan karat yang berpusat di Taiwan dengan pengalaman lebih dari 36 tahun.EFTmenyediakan alat penyambung pipa baja tahan karat 316, 316Ti, pereduksi pipa, pereduksi pipa eksentrik, pompa vakum, aktuator katup - bersertifikat ISO, EN11435, DNV, TSSA CRN, BPE, 3-A SSI.

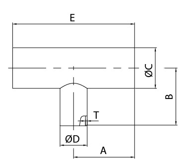
| Size | A | B | C | D | E | T | Parts No. |
|---|---|---|---|---|---|---|---|
| 1"x3/4" | 48.2 | 33.7 | 25.4 | 19.05 | 96.4 | 1.65 | EKATW-1006 |
| 1.5"x3/4" | 57.2 | 48.2 | 38.1 | 19.05 | 114.3 | 1.65 | EKATW-1406 |
| 1.5"x1" | 57.2 | 54 | 38.1 | 25.4 | 114.3 | 1.65 | EKATW-1410 |
| 2"x3/4" | 76.2 | 54.4 | 50.8 | 19.05 | 152.4 | 1.65 | EKATW-2006 |
| 2"x1" | 76.2 | 60.3 | 50.8 | 25.4 | 152.4 | 1.65 | EKATW-2010 |
| 2"x1.5" | 76.2 | 63.5 | 50.8 | 38.1 | 152.4 | 1.65 | EKATW-2014 |
ARTIKEL BAGIAN
KATEGORI PRODUK
KIRIM PERTANYAAN ANDA
Looking for more information? You can fill out the Inquiry Form to tell us your needs or questions, we will respond soon!

Cari produk-produk terkait