
Everfit Technology CO., LTD.(EFT) yra vienas iš nerūdijančio plieno vamzdžių jungiamųjų detalių gamintojų Taivane, turintis daugiau nei 36 metų patirtį.EFTtiekia 316, 316Ti nerūdijančio plieno vamzdžių jungiamąsias detales, vamzdžių reduktorių, ekscentrinių vamzdžių reduktorių, vakuuminį siurblį, vožtuvo pavarą - ISO, EN11435, DNV, TSSA CRN, BPE, 3-A SSI sertifikuota.

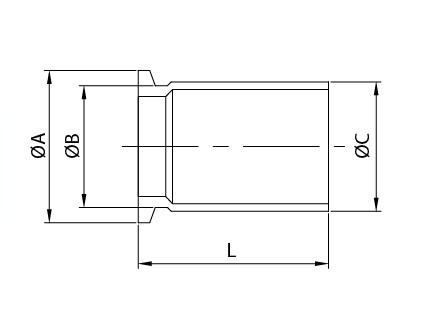
| Size | A | B | C | L | Parts No. |
|---|---|---|---|---|---|
| NW25 | 40 | 32 | 34.0 | 50 | SJLB-1000 |
| NW40 | 55 | 45 | 48.6 | 50 | SJLB-1400 |
STRAIPSNIS SEKCIJOS
PRODUKTO KATEGORIJA
Atsiųskite paklausimą
Looking for more information? You can fill out the Inquiry Form to tell us your needs or questions, we will respond soon!

Ieškoti Susiję produktai