
Everfit Technology CO., LTD.(EFT) é um dos fabricantes de conexões para tubos de aço inoxidável com sede em Taiwan e mais de 36 anos de experiência.EFTfornece conexões para tubos de aço inoxidável 316, 316Ti, redutor de tubos, redutor de tubos excêntrico, bomba de vácuo, atuador de válvula - com certificação ISO, EN11435, DNV, TSSA CRN, BPE, 3-A SSI.

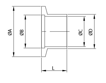
| Size | A | B | C | D | L | Parts No. |
|---|---|---|---|---|---|---|
| NW10 | 30 | 12.2 | 10 | 13.8 | 10 | SJS1-0400 |
| NW16 | 30 | 17.2 | 16 | 20.0 | 10 | SJS1-0600 |
| NW10 | 30 | 12.2 | 10 | 13.8 | 20 | SJS0-0400 |
| NW16 | 30 | 17.2 | 16 | 20.0 | 20 | SJS0-0600 |
| NW25 | 40 | 26.2 | 24 | 27.2 | 20 | SJS0-1000 |
| NW40 | 55 | 41.2 | 39 | 42.7 | 20 | SJS0-1400 |
ARTIGO SEÇÕES
CATEGORIA DE PRODUTO
ENVIE SEU INQUÉRITO
Looking for more information? You can fill out the Inquiry Form to tell us your needs or questions, we will respond soon!

Pesquisar produtos relacionados