
Everfit Technology CO., LTD.(EFT) є одним із виробників трубопровідної арматури з нержавіючої сталі на Тайвані з більш ніж 36-річним досвідом.EFTзабезпечує трубні фітинги з нержавіючої сталі 316, 316Ti, трубний редуктор, ексцентричний трубний редуктор, вакуумний насос, привід клапана - сертифіковано ISO, EN11435, DNV, TSSA CRN, BPE, 3-A SSI.

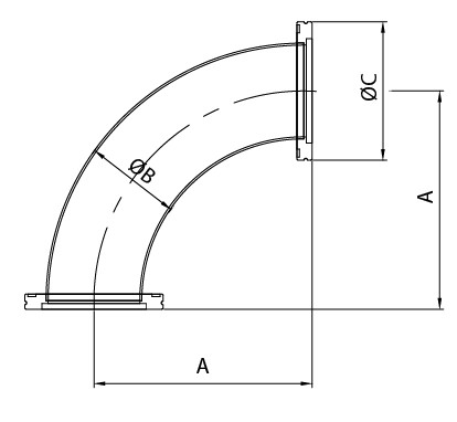
| Size | A | B | C | Parts No. |
|---|---|---|---|---|
| ISO63 | 138.4 | 63.5 | 90 | EOAAC-2400 |
| ISO80 | 166.9 | 76.2 | 110 | EOAAC-3000 |
| ISO100 | 217.7 | 101.6 | 130 | EOAAC-4000 |
| ISO160 | 235.2 | 152.4 | 180 | EOAAC-6000 |
Стаття РОЗДІЛИ
КАТЕГОРІЯ ПРОДУКТУ
ВІДПРАВИТИ ЗАПИТ
Looking for more information? You can fill out the Inquiry Form to tell us your needs or questions, we will respond soon!
Пошук продуктів, пов'язаних з