
Everfit Technology CO., LTD.(EFT) er en af de rustfri stålrørsfittings-producenter baseret i Taiwan med over 36 års erfaring.EFTleverer 316, 316Ti rørfittings i rustfrit stål, rørreduktion, excentrisk rørreduktion, vakuumpumpe, ventilaktuator - ISO, EN11435, DNV, TSSA CRN, BPE, 3-A SSI certificeret.

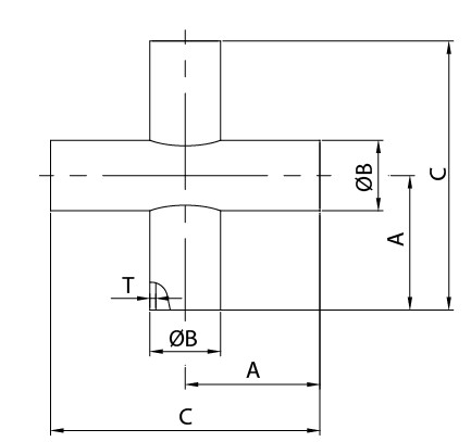
| Size | A | B | C | T | Parts No. |
|---|---|---|---|---|---|
| 3/4" | 34.5 | 19.05 | 69 | 1.65 | EKA4W-0600 |
| 1" | 47.6 | 25.4 | 95.2 | 1.65 | EKA4W-1000 |
| 1.5" | 57.2 | 38.1 | 114.3 | 1.65 | EKA4W-1400 |
| 2" | 76.2 | 50.8 | 152.4 | 1.65 | EKA4W-2000 |
| 2.5" | 76.2 | 63.5 | 152.4 | 1.65 | EKA4W-2400 |
| 3" | 82.5 | 76.2 | 165.1 | 1.65 | EKA4W-3000 |
| 4" | 98.4 | 101.6 | 196.8 | 2.1 | EKA4W-4000 |
| 6" | 127 | 152.4 | 254 | 2.7 | EKA4W-6000 |
ARTIKEL SEKTIONER
PRODUKTKATEGORI
Send din forespørgsel
Looking for more information? You can fill out the Inquiry Form to tell us your needs or questions, we will respond soon!

Søg relaterede produkter