
Everfit Technology CO., LTD.(EFT) on yksi ruostumattomasta teräksestä valmistettujen putkien liitosvalmistajista Taiwanissa, jolla on yli 36 vuoden kokemus.EFTtarjoaa 316, 316Ti ruostumattomasta teräksestä valmistetut putkiliittimet, putken supistimen, epäkeskoputken supistimen, tyhjiöpumpun, venttiilin toimilaitteen - ISO, EN11435, DNV, TSSA CRN, BPE, 3-A SSI-sertifioitu.

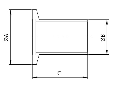
| Size | Standard | A | B | C | Parts No. |
|---|---|---|---|---|---|
| KF10 | U.S.A | 30 | 12.7 | 40 | SAL0-0400 |
| KF16 | U.S.A | 30 | 19.1 | 40 | SAL0-0600 |
| KF25 | U.S.A | 40 | 25.4 | 40 | SAL0-1000 |
| KF40 | U.S.A | 55 | 38.1 | 40 | SAL0-1400 |
| KF50 | U.S.A | 75 | 50.8 | 40 | SAL0-2000 |
ARTIKLA SECTIONS
TUOTEKATEGORIA
Lähetä kysymyksesi
Looking for more information? You can fill out the Inquiry Form to tell us your needs or questions, we will respond soon!

Etsi liittyviä tuotteita