
Everfit Technology CO., LTD.(EFT) jedan je od proizvođača fitinga za cijevi od nehrđajućeg čelika sa sjedištem u Tajvanu s više od 36 godina iskustva.EFTnudi cijevne spojnice od nehrđajućeg čelika 316, 316Ti, reduktor cijevi, reduktor ekscentrične cijevi, vakuumsku pumpu, aktuator ventila - ISO, EN11435, DNV, TSSA CRN, BPE, 3-A SSI certifikat.





SERIJA: Y-4HCS
ČETVORODJELNI TROSMERNI MULTI-PORT 1000
WOG SANITARNI KUGLASTI VENTIL TRI-CLAMP END T/T/T
| ARTIKAL | DIJELOVI | MATERIJAL | KOL | |
|---|---|---|---|---|
| 1 | TIJELO | A351-CF8M | A351-CF3M | 1 |
| 2 | CAP | A351-CF8M | A351-CF3M | 4 |
| 3 | LOPTA | A351-CF8M | CF3M | 1 |
| 4 | SJEDALO | PTFE | TFM-1600 | 4 |
| 5 | BRTVA | PTFE | PTFE | 2 |
| 6 | POTISNI PERILAC | PTFE | PTFE | 1 |
| 7 | O-PRSTEN | VITON | VITON | 1 |
| 8 | PAKIRANJE STABLJAKA | PTFE | PTFE | 1 |
| 9 | PRSTEN | AISI316 | AISI304 | 1 |
| 10 | PODLOŠKA ZA KOSINU | AISI 301 | AISI 301 | 2 |
| 11 | STOP PIN | AISI 316 | AISI 316 | 1 |
| 12 | ORAH | AISI 304 | AISI 304 | 1 |
| 13 | STABLJKA | AISI 316 | AISI 316 | 1 |
| 14 | RUČKA | AISI 304 | AISI 304 | 1 |
| 15 | OPRUŽNA PODLOŠKA | AISI 304 | AISI 304 | 16 |
| 16 | VIJAK | AISI 304 | AISI 304 | 16 |
| 17 | PREVALING UREĐAJ | PVEICE | AISI 304 | 1 |
| 18 | ORAH | AISI 304 | AISI 304 | 1 |
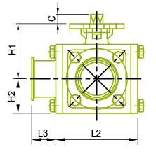
| Size | DN mm | ISO-5211 mm | ØA mm | W mm | H mm | H1 mm | C mm | L mm | Ød mm | ØD mm | L1 mm | L2 mm | L3 mm | H2 mm | R mm | TOQUE/ IN/LBS | |
|---|---|---|---|---|---|---|---|---|---|---|---|---|---|---|---|---|---|
| 2-1/2" | 65 | F07/F10 | 60.2 | 370.0 | 108.0 | 100.0 | 17 | 227.7 | 60.2 | 77.5 | 174.0 | 130.4 | 43.6 | 61.0 | 17 | M22*2.5 | 1085 |
| 3" | 80 | F10/F12 | 73.0 | 400.0 | 134.0 | 125.5 | 23 | 260.6 | 73.0 | 90.9 | 204.0 | 157.0 | 47.0 | 74.0 | 22 | 1-1/8"*12UNF | 1597 |
| 4" | 100 | F10/F12 | 97.4 | 400.0 | 143.3 | 135.5 | 23 | 290.5 | 97.4 | 118.9 | 257.5 | 193.0 | 64.5 | 84.0 | 22 | 1-1/8"*12UNF | 1780 |
ČLANAK SALON
KATEGORIJA PROIZVODA
Pošaljite upit
Looking for more information? You can fill out the Inquiry Form to tell us your needs or questions, we will respond soon!

Pretraga srodnih proizvoda