
Everfit Technology CO., LTD.(EFT) é um dos fabricantes de conexões para tubos de aço inoxidável com sede em Taiwan e mais de 36 anos de experiência.EFTfornece conexões para tubos de aço inoxidável 316, 316Ti, redutor de tubos, redutor de tubos excêntrico, bomba de vácuo, atuador de válvula - com certificação ISO, EN11435, DNV, TSSA CRN, BPE, 3-A SSI.





SÉRIE: Y-4HCS
QUATRO PEÇAS TRÊS VIAS MULTI-PORTA 1000
WOG VÁLVULA DE ESFERA SANITÁRIA TRI-CLAMP EXTREMIDADE T/T/T
| ITEM | PEÇAS | MATERIAL | QTD. | |
|---|---|---|---|---|
| 1 | CORPO | A351-CF8M | A351-CF3M | 1 |
| 2 | CAP | A351-CF8M | A351-CF3M | 4 |
| 3 | BOLA | A351-CF8M | CF3M | 1 |
| 4 | ASSENTO | PTFE | TFM-1600 | 4 |
| 5 | JUNTA | PTFE | PTFE | 2 |
| 6 | LAVADORA DE IMPULSO | PTFE | PTFE | 1 |
| 7 | O-RING | VITÃO | VITÃO | 1 |
| 8 | EMBALAGEM DE HASTE | PTFE | PTFE | 1 |
| 9 | ANEL | Aço inox AISI316 | Aço inox AISI304 | 1 |
| 10 | ARRUELA CHANFRADA | AISI 301 | AISI 301 | 2 |
| 11 | PINO DE PARADA | Aço inox 316 | Aço inox 316 | 1 |
| 12 | NOZ | Aço inox AISI 304 | Aço inox AISI 304 | 1 |
| 13 | TRONCO | Aço inox 316 | Aço inox 316 | 1 |
| 14 | LIDAR | Aço inox AISI 304 | Aço inox AISI 304 | 1 |
| 15 | ARRUELA DE MOLA | Aço inox AISI 304 | Aço inox AISI 304 | 16 |
| 16 | PARAFUSO | Aço inox AISI 304 | Aço inox AISI 304 | 16 |
| 17 | DISPOSITIVO PREVALENTE | PVEICE | Aço inox AISI 304 | 1 |
| 18 | NOZ | Aço inox AISI 304 | Aço inox AISI 304 | 1 |
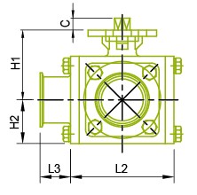
| Size | DN mm | ISO-5211 mm | ØA mm | W mm | H mm | H1 mm | C mm | L mm | Ød mm | ØD mm | L1 mm | L2 mm | L3 mm | H2 mm | R mm | TOQUE/ IN/LBS | |
|---|---|---|---|---|---|---|---|---|---|---|---|---|---|---|---|---|---|
| 2-1/2" | 65 | F07/F10 | 60.2 | 370.0 | 108.0 | 100.0 | 17 | 227.7 | 60.2 | 77.5 | 174.0 | 130.4 | 43.6 | 61.0 | 17 | M22*2.5 | 1085 |
| 3" | 80 | F10/F12 | 73.0 | 400.0 | 134.0 | 125.5 | 23 | 260.6 | 73.0 | 90.9 | 204.0 | 157.0 | 47.0 | 74.0 | 22 | 1-1/8"*12UNF | 1597 |
| 4" | 100 | F10/F12 | 97.4 | 400.0 | 143.3 | 135.5 | 23 | 290.5 | 97.4 | 118.9 | 257.5 | 193.0 | 64.5 | 84.0 | 22 | 1-1/8"*12UNF | 1780 |
ARTIGO SEÇÕES
CATEGORIA DE PRODUTO
ENVIE SEU INQUÉRITO
Looking for more information? You can fill out the Inquiry Form to tell us your needs or questions, we will respond soon!

Pesquisar produtos relacionados