
Everfit Technology CO., LTD.-EFT) เป็นหนึ่งในผู้ผลิตอุปกรณ์ท่อสแตนเลสซึ่งมีฐานอยู่ในไต้หวันโดยมีประสบการณ์มากกว่า 36 ปีEFTจำหน่ายอุปกรณ์ท่อสแตนเลส 316, 316Ti, ตัวลดท่อ, ตัวลดท่อนอกรีต, ปั๊มสุญญากาศ, ตัวกระตุ้นวาล์ว - ได้รับการรับรอง ISO, EN11435, DNV, TSSA CRN, BPE, 3-A SSI

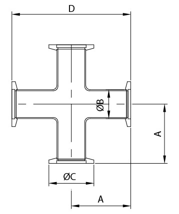
| Size | Standard | A | B | C | D | Parts No. |
|---|---|---|---|---|---|---|
| KF16 | U.S.A | 38.3 | 19.05 | 30 | 76.6 | EKA4C-0600 |
| KF25 | U.S.A | 51.4 | 25.4 | 40 | 102.8 | EKA4C-1000 |
| KF40 | U.S.A | 61 | 38.1 | 55 | 122.0 | EKA4C-1400 |
| KF50 | U.S.A | 80 | 50.8 | 75 | 160.0 | EKA4C-2000 |
| Size | Standard | A | B | C | D | Parts No. |
|---|---|---|---|---|---|---|
| KF16 | Europe | 40 | 19.05 | 30 | 80.0 | EKE4C-0600 |
| KF25 | Europe | 50 | 25.4 | 40 | 100.0 | EKE4C-1000 |
| KF40 | Europe | 65 | 38.1 | 55 | 130.0 | EKE4C-1400 |
| KF50 | Europe | 70 | 50.8 | 75 | 140.0 | EKE4C-2000 |
บทความ SECTIONS
ประเภทสินค้า

ข้อต่อแบบแคลมป์เป็นที่นิยมมากที่สุดสำหรับการประกอบและการแยกชิ้นส่วนของสายกระบวนการและอุปกรณ์ต่างๆ...

-EFT ได้พัฒนาไลน์ผลิตภัณฑ์ตัววาล์วที่ช่วยตอบสนองความต้องการของอุตสาหกรรมการแปรรูปทางชีวภาพและเภสัชกรรมสำหรับระบบกระบวนการเชื่อมที่มีคุณภาพสูง ด้วยการจัดหาตัววาล์วด้วยวัสดุสเตนเลส...

เหมาะอย่างยิ่งสำหรับการผลิตอย่างต่อเนื่องในแอพพลิเคชั่นที่สำคัญด้านสุขอนามัยที่หลากหลาย...

เหมาะอย่างยิ่งสำหรับการผลิตอย่างต่อเนื่องในแอพพลิเคชั่นที่สำคัญด้านสุขอนามัยที่หลากหลาย...

-EFTกระจกมองของ ออกแบบมาเพื่อการตรวจสอบสื่อภายในท่อและ/หรือการตรวจสอบหมูในระบบการกู้คืนผลิตภัณฑ์...

วาล์วลูกบอลสุขอนามัยมีการออกแบบแบบเต็มรูที่ทำให้ของเหลวไหลได้เต็มที่โดยมีแรงดันลดลงน้อยที่สุด...

ข้อต่อแบบแคลมป์เป็นที่นิยมมากที่สุดสำหรับการประกอบและการแยกชิ้นส่วนสายกระบวนการและอุปกรณ์ต่างๆ...
ส่งคำถามของคุณ
Looking for more information? You can fill out the Inquiry Form to tell us your needs or questions, we will respond soon!

ค้นหาผลิตภัณฑ์ที่เกี่ยวข้อง