
Everfit Technology CO., LTD.-EFT) เป็นหนึ่งในผู้ผลิตอุปกรณ์ท่อสแตนเลสซึ่งมีฐานอยู่ในไต้หวันโดยมีประสบการณ์มากกว่า 36 ปีEFTจำหน่ายอุปกรณ์ท่อสแตนเลส 316, 316Ti, ตัวลดท่อ, ตัวลดท่อนอกรีต, ปั๊มสุญญากาศ, ตัวกระตุ้นวาล์ว - ได้รับการรับรอง ISO, EN11435, DNV, TSSA CRN, BPE, 3-A SSI

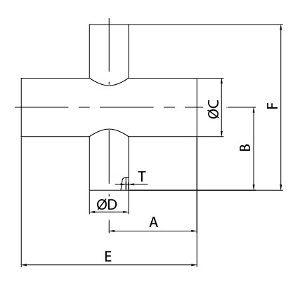
| Size | A | B | C | D | E | T | Parts No. |
|---|---|---|---|---|---|---|---|
| 1"x3/4" | 48.2 | 33.7 | 25.4 | 19.05 | 96.4 | 1.65 | EKA8W-1006 |
| 1.5"x3/4" | 57.2 | 48.2 | 38.1 | 19.05 | 114.3 | 1.65 | EKA8W-1406 |
| 1.5"x1" | 57.2 | 54 | 38.1 | 25.4 | 114.3 | 1.65 | EKA8W-1410 |
| 2"x3/4" | 76.2 | 54.4 | 50.8 | 19.05 | 152.4 | 1.65 | EKA8W-2006 |
| 2"x1" | 76.2 | 60.3 | 50.8 | 25.4 | 152.4 | 1.65 | EKA8W-2010 |
| 2"x1.5" | 76.2 | 63.5 | 50.8 | 38.1 | 152.4 | 1.65 | EKA8W-2014 |
| 3"x2.5" | 8.25 | 82.5 | 76.2 | 63.5 | 165 | 1.65 | EKA8W-3024 |
| 4"x2" | 98.4 | 101.6 | 101.6 | 50.8 | 196.8 | 2 | EKA8W-4020 |
| 4"x2.5" | 98.4 | 95.3 | 101.6 | 63.5 | 196.8 | 2 | EKA8W-4024 |
| 4"x3" | 98.4 | 95.3 | 101.6 | 76.2 | 196.8 | 2 | EKA8W-4030 |
| 6"x3" | 127 | 120.7 | 152.4 | 76.2 | 254 | 2.77 | EKA8W-6030 |
| 6"x4" | 127 | 123.8 | 152.4 | 101.6 | 254 | 2.77 | EKA8W-6040 |
บทความ SECTIONS
ประเภทสินค้า

ข้อต่อแบบแคลมป์เป็นที่นิยมมากที่สุดสำหรับการประกอบและการแยกชิ้นส่วนของสายกระบวนการและอุปกรณ์ต่างๆ...

-EFT ได้พัฒนาไลน์ผลิตภัณฑ์ตัววาล์วที่ช่วยตอบสนองความต้องการของอุตสาหกรรมการแปรรูปทางชีวภาพและเภสัชกรรมสำหรับระบบกระบวนการเชื่อมที่มีคุณภาพสูง ด้วยการจัดหาตัววาล์วด้วยวัสดุสเตนเลส...

เหมาะอย่างยิ่งสำหรับการผลิตอย่างต่อเนื่องในแอพพลิเคชั่นที่สำคัญด้านสุขอนามัยที่หลากหลาย...

เหมาะอย่างยิ่งสำหรับการผลิตอย่างต่อเนื่องในแอพพลิเคชั่นที่สำคัญด้านสุขอนามัยที่หลากหลาย...

-EFTกระจกมองของ ออกแบบมาเพื่อการตรวจสอบสื่อภายในท่อและ/หรือการตรวจสอบหมูในระบบการกู้คืนผลิตภัณฑ์...

วาล์วลูกบอลสุขอนามัยมีการออกแบบแบบเต็มรูที่ทำให้ของเหลวไหลได้เต็มที่โดยมีแรงดันลดลงน้อยที่สุด...

ข้อต่อแบบแคลมป์เป็นที่นิยมมากที่สุดสำหรับการประกอบและการแยกชิ้นส่วนสายกระบวนการและอุปกรณ์ต่างๆ...
ส่งคำถามของคุณ
Looking for more information? You can fill out the Inquiry Form to tell us your needs or questions, we will respond soon!

ค้นหาผลิตภัณฑ์ที่เกี่ยวข้อง