
Everfit Technology CO., LTD.(EFT) з'яўляецца адным з вытворцаў фітынгаў з нержавеючай сталі на Тайвані з больш чым 36-гадовым вопытам работы.EFTзабяспечвае фітынгі для труб з нержавеючай сталі 316, 316Ti, рэдуктар для труб, эксцэнтрычны рэдуктар для труб, вакуумны помпа, прывад клапана - сертыфікаваны ISO, EN11435, DNV, TSSA CRN, BPE, 3-A SSI.

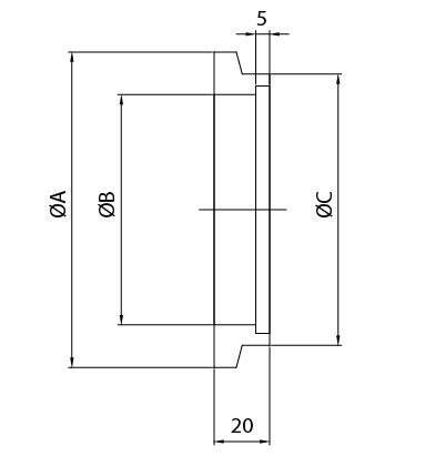
| Size | A | B | C | L | Parts No. |
|---|---|---|---|---|---|
| NW80 | 114 | 83.3 | 98 | 20 | SJS0-3000 |
| NW100 | 134 | 102 | 118 | 20 | SJS0-4000 |
Артыкул РАЗДЗЕЛ
катэгорыя ТАВАРАЎ
АДПРАВІЦЬ Запыт
Looking for more information? You can fill out the Inquiry Form to tell us your needs or questions, we will respond soon!
Пошук прадуктаў, звязаных з