
Everfit Technology CO., LTD.(EFT) est l'un des fabricants de raccords de tuyauterie en acier inoxydable basé à Taiwan avec plus de 36 ans d'expérience.EFTfournit des raccords de tuyauterie en acier inoxydable 316, 316Ti, des réducteurs de tuyaux, des réducteurs de tuyaux excentriques, des pompes à vide, des actionneurs de vanne - certifiés ISO, EN11435, DNV, TSSA CRN, BPE, 3-A SSI.

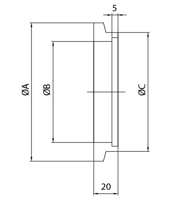
| Size | A | B | C | L | Parts No. |
|---|---|---|---|---|---|
| NW80 | 114 | 83.3 | 98 | 20 | SJS0-3000 |
| NW100 | 134 | 102 | 118 | 20 | SJS0-4000 |
ARTICLE SECTIONS
CATÉGORIE DE PRODUIT
ENVOYEZ VOTRE ENQUÊTE
Looking for more information? You can fill out the Inquiry Form to tell us your needs or questions, we will respond soon!
Rechercher des produits connexes