
Everfit Technology CO., LTD.(EFT) — один из производителей фитингов для труб из нержавеющей стали в Тайване с более чем 36-летним опытом работы.EFTпоставляет фитинги для труб из нержавеющей стали 316, 316Ti, трубные переходники, эксцентриковые трубные переходники, вакуумные насосы, приводы клапанов - сертифицированные по стандартам ISO, EN11435, DNV, TSSA CRN, BPE, 3-A SSI.

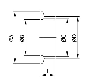
| Size | A | B | C | D | L | Parts No. |
|---|---|---|---|---|---|---|
| NW50 | 75 | 52.2 | 55 | 60.5 | 20 | SJS0-2000 |
СТАТЬЯ РАЗДЕЛЫ
КАТЕГОРИЯ ПРОДУКТА
ОТПРАВИТЬ ВАШ ЗАПРОС
Looking for more information? You can fill out the Inquiry Form to tell us your needs or questions, we will respond soon!

Поиск сопутствующих товаров