
Everfit Technology CO., LTD.-EFT) เป็นหนึ่งในผู้ผลิตอุปกรณ์ท่อสแตนเลสซึ่งมีฐานอยู่ในไต้หวันโดยมีประสบการณ์มากกว่า 36 ปีEFTจำหน่ายอุปกรณ์ท่อสแตนเลส 316, 316Ti, ตัวลดท่อ, ตัวลดท่อนอกรีต, ปั๊มสุญญากาศ, ตัวกระตุ้นวาล์ว - ได้รับการรับรอง ISO, EN11435, DNV, TSSA CRN, BPE, 3-A SSI

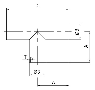
| Size | A | B | C | T | Parts No. |
|---|---|---|---|---|---|
| 3/4" | 34.5 | 19.05 | 69 | 1.65 | EKA3W-0600 |
| 1" | 47.6 | 25.4 | 95.2 | 1.65 | EKA3W-1000 |
| 1.5" | 57.2 | 38.1 | 114.3 | 1.65 | EKA3W-1400 |
| 2" | 76.2 | 50.8 | 152.4 | 1.65 | EKA3W-2000 |
| 2.5" | 76.2 | 63.5 | 152.4 | 1.65 | EKA3W-2400 |
| 3" | 82.5 | 76.2 | 165.1 | 1.65 | EKA3W-3000 |
| 4" | 98.4 | 101.6 | 196.8 | 2.1 | EKA3W-4000 |
บทความ SECTIONS
ประเภทสินค้า

ข้อต่อแบบแคลมป์เป็นที่นิยมมากที่สุดสำหรับการประกอบและการแยกชิ้นส่วนของสายกระบวนการและอุปกรณ์ต่างๆ...

-EFT ได้พัฒนาไลน์ผลิตภัณฑ์ตัววาล์วที่ช่วยตอบสนองความต้องการของอุตสาหกรรมการแปรรูปทางชีวภาพและเภสัชกรรมสำหรับระบบกระบวนการเชื่อมที่มีคุณภาพสูง ด้วยการจัดหาตัววาล์วด้วยวัสดุสเตนเลส...

เหมาะอย่างยิ่งสำหรับการผลิตอย่างต่อเนื่องในแอพพลิเคชั่นที่สำคัญด้านสุขอนามัยที่หลากหลาย...

เหมาะอย่างยิ่งสำหรับการผลิตอย่างต่อเนื่องในแอพพลิเคชั่นที่สำคัญด้านสุขอนามัยที่หลากหลาย...

-EFTกระจกมองของ ออกแบบมาเพื่อการตรวจสอบสื่อภายในท่อและ/หรือการตรวจสอบหมูในระบบการกู้คืนผลิตภัณฑ์...

วาล์วลูกบอลสุขอนามัยมีการออกแบบแบบเต็มรูที่ทำให้ของเหลวไหลได้เต็มที่โดยมีแรงดันลดลงน้อยที่สุด...

ข้อต่อแบบแคลมป์เป็นที่นิยมมากที่สุดสำหรับการประกอบและการแยกชิ้นส่วนสายกระบวนการและอุปกรณ์ต่างๆ...
ส่งคำถามของคุณ
Looking for more information? You can fill out the Inquiry Form to tell us your needs or questions, we will respond soon!

ค้นหาผลิตภัณฑ์ที่เกี่ยวข้อง