
Everfit Technology CO., LTD.(EFT)는 대만에 본사를 둔 스테인리스 파이프 피팅 제조업체로 36년 이상의 경험을 보유하고 있습니다.EFT316, 316Ti 스테인리스 스틸 파이프 피팅, 파이프 리듀서, 편심 파이프 리듀서, 진공 펌프, 밸브 액추에이터를 제공하며 ISO, EN11435, DNV, TSSA CRN, BPE, 3-A SSI 인증을 받았습니다.

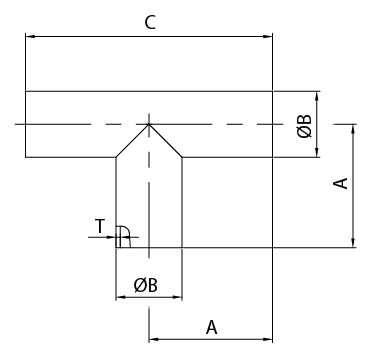
| Size | A | B | C | T | Parts No. |
|---|---|---|---|---|---|
| 3/4" | 34.5 | 19.05 | 69 | 1.65 | EKA3W-0600 |
| 1" | 47.6 | 25.4 | 95.2 | 1.65 | EKA3W-1000 |
| 1.5" | 57.2 | 38.1 | 114.3 | 1.65 | EKA3W-1400 |
| 2" | 76.2 | 50.8 | 152.4 | 1.65 | EKA3W-2000 |
| 2.5" | 76.2 | 63.5 | 152.4 | 1.65 | EKA3W-2400 |
| 3" | 82.5 | 76.2 | 165.1 | 1.65 | EKA3W-3000 |
| 4" | 98.4 | 101.6 | 196.8 | 2.1 | EKA3W-4000 |
조 섹션
제품 카테고리
문의 보내기
Looking for more information? You can fill out the Inquiry Form to tell us your needs or questions, we will respond soon!

관련 제품 검색