
Everfit Technology CO., LTD.(EFT) ताइवान में स्थित स्टेनलेस स्टील पाइप फिटिंग निर्माताओं में से एक है, जिसके पास 36 वर्षों से अधिक का अनुभव है।EFT316, 316Ti स्टेनलेस स्टील पाइप फिटिंग, पाइप रिड्यूसर, सनकी पाइप रिड्यूसर, वैक्यूम पंप, वाल्व एक्ट्यूएटर - ISO, EN11435, DNV, TSSA CRN, BPE, 3-A SSI प्रमाणित प्रदान करता है।

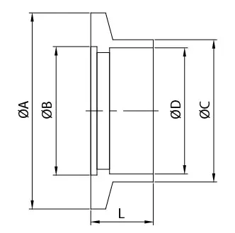
| Size | A | B | c | D | L | Parts No. |
|---|---|---|---|---|---|---|
| KF10 | 30 | 12.2 | 16.5 | 13.0 | 12.7 | SASW-0400 |
| KF16 | 30 | 17.2 | 22.1 | 19.3 | 12.7 | SASW-0600 |
| KF25 | 40 | 26.2 | 28.7 | 25.7 | 12.7 | SASW-1000 |
| KF40 | 55 | 41.2 | 44.5 | 38.4 | 12.7 | SASW-1400 |
| KF50 | 75 | 52.2 | 57.2 | 51.1 | 12.7 | SASW-2000 |
| KF63 | 87 | 70 | 67.5 | 63.7 | 12.7 | SASW-2400 |
लेख खंड
उत्पाद श्रेणी
अपनी पूछताछ भेजें
Looking for more information? You can fill out the Inquiry Form to tell us your needs or questions, we will respond soon!

संबंधित उत्पादों को खोजें